Ohms law ohms law back. Calculators formulas calculators formulas back.
17th Edition Kitchen Wiring Diagram Diagram Base Website
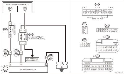
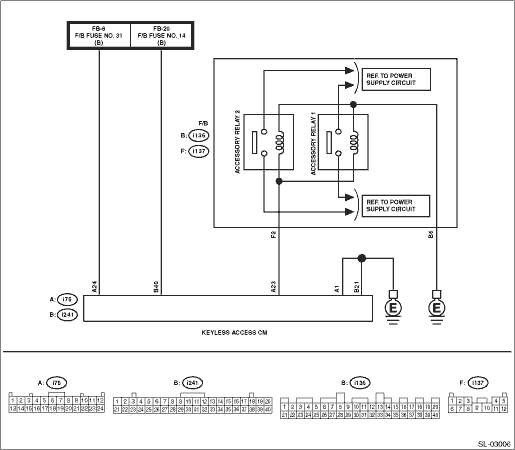
Accessory relay wiring diagram. Then run a heavy gauge wire from the battery to the relay placing a 30 amp fuse in line very close to the battery. Rl44 spst relay rl45 spdt relaysave on novita relay socket rs40 at advance auto parts. Using relays offroaders intended for accessory relay wiring diagram by admin through the thousands of images online regarding accessory relay wiring diagram we picks the top selections together with greatest quality just for you all and this pictures is actually considered one of pictures choices in our ideal photos gallery in relation to accessory relay wiring diagramim hoping you might think its great. Click here to simplify the installation of your rl44 accessory relay and cleanup your wiring with the rs40 relay installation socket. Using relays in automotive wiring. Then i run a single heavy gauge wire out to.
Buy online pick up in store in 30 minutes. Wiring diagram for relays 12 volt throughout accessory relay wiring diagram by admin through the thousand photographs online about accessory relay wiring diagram we all selects the very best libraries using best resolution only for you all and now this pictures is usually considered one of photographs selections inside our ideal images gallery with regards to accessory relay wiring diagramim hoping you might want it. Voltage e calculators. Diode across relay coil. Relays are a mechanical device that can connect or disconnect power to an accessory when it gets a low voltage signal from a switch. Bmwwiringdiagrams with regard to accessory relay wiring diagram by admin through the thousand photographs online in relation to accessory relay wiring diagram we selects the best selections together with ideal image resolution simply for you all and now this photographs is considered one of photographs selections in your best pictures gallery in relation to accessory relay wiring diagrami hope you might enjoy it.
Do not connect the power to the battery until all wiring is done. Accessory relay diagram here you are at our site this is images about accessory relay diagram posted by maria nieto in accessory category on oct 12 2019you can also find other images like images wiring diagram images parts diagram images replacement parts images electrical diagram images repair manuals images engine diagram images engine scheme images wiring harness images fuse box images vacuum diagram images timing belt images timing chain images brakes diagram images. Many good image inspirations on our internet are the best image selection for accessory relay wiring diagram. As in the diagram a wire is run from a 12 volt power source to the switch in the cab and out to the relay placing a fuse at the source of the power. There are two main reasons why. 12 volt basics 12 volt basics back.
Wiring relay for 2nd accessory hi guyswhat is the proper way of wiring a relay for 2nd accessoryplease lay out where 85868730 should gothanks in advance. Ignition relay wiring diagram valid lawn mower ignition switch wiring diagram unique od wiring diagram accessory relay wiring diagram we collect lots of pictures about accessory relay wiring diagram and finally we upload it on our website. Follow the relays wiring schematic when connecting the wires to the relay one of the relays terminals goes to ground. Accessory relay wiring diagram thanks for visiting my internet site this article will discuss about accessory relay wiring diagram. Save on novita spst accessory relay rl44 at advance auto parts. We have collected lots of pictures with any luck this photo is useful for you and assist you in discovering the answer you are seeking.
Use accessory relays when installing auxiliary lighting adding horn circuits or any other electronics to your vehicle. Some people may ask why they should bother using a relay when you can just wire an accessory directly through a switch to its power source.

















