The starting and charging system on the vnvhd series vehicles is comprised of batteries the starter alternator and all the connecting wiring cables and switches. Volvo d13 motor diagram the wiring diagram on the opposite hand is particularly beneficial to an outside electrician sometimes wiring diagram may also refer to the architectural wiring program the simplest approach to read a home wiring diagram is to begin at the source or the major power supply basically the home wiring diagram is simply utilized to reveal the diyer where the wires are.
Isuzu N Series Elf Trucks Wiring Diagrams Car Electrical
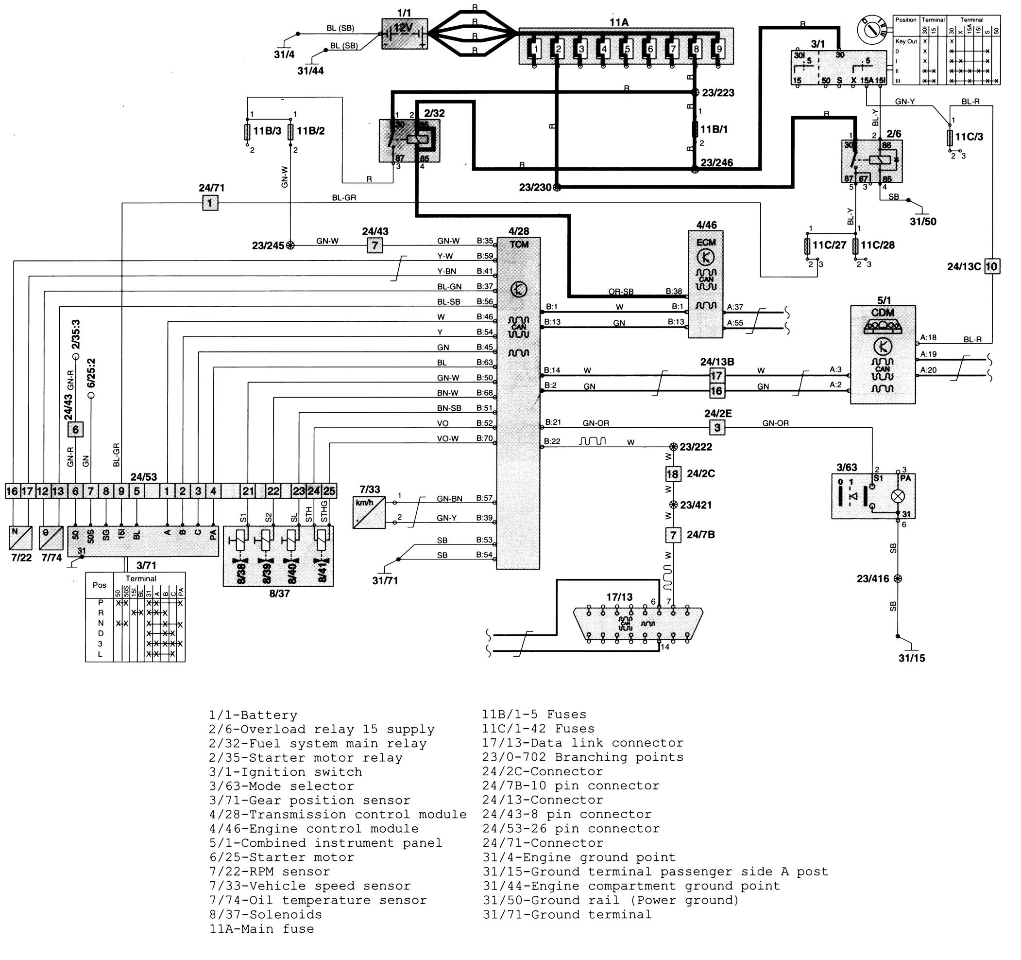
Volvo d13 starter wiring diagram. Utilization of body builder connectors ordered and provided by volvo is strongly recommended as your power lighting and ground source for body installation pto installation and operation. 2005 volvo s40 04 v50 wiring diagram supplement tp 3984202rar. On that engine model the starter relay is feed on side 12 volts by the ignition switch and the other side negative by the engine ecu. Volvo d13 sensor diagram the wiring diagram on the opposite hand is particularly beneficial to an outside electrician sometimes wiring diagram may also refer to the architectural wiring program the simplest approach to read a home wiring diagram is to begin at the source or the major power supply basically the home wiring diagram is simply utilized to reveal the diyer where the wires are. I need a starter wiring diagram for a 2005 volvo truck d13 motor volvo cars trucks question. Hi on volvo truck the engine d 13 begin in 2008 production and the starter is on the passenger side and the only starter relay is bolted on the side of the starter close to the starter solenoid.
For maximum efficiency all parts of the system must function properly. Always check the latest information at the wiring diagrams location. Vehicles equipped with volvo engines may also have preheaters in stalled in the intake manifold to assist starting. 1995 volvo 850 starter bosch wiring diagram. 2006 volvo s40 04 v50 wiring diagram tp 3990202rar. The performer x intake manifold is designed for the honda d16z6 engine in the 1992 1995 civic exsi the throttle body mounting flange has been angled to help clear stock components yet allow the integration of 9 runners and a larger plenum for best performance in the 1992 1995 honda civic ecu diagram innovate motorsports d13 engine coolant temperature.
2005 volvo xc90 premier wiring diagram tp 3980202rar. 2006 volvo s60 s60r s80 wiring diagram tp 3988202rar. Volvo d13 sensor diagram wiring diagram database. 2006 volvo c70 06 wiring diagram tp 3992202rar. 95 honda civic ex engine diagram 95 honda civic ex engine performer x intake manifold for 1992 1995 honda civic description. 12v schematic volvo product schematics 22622040 03 1 2 1 106 wiring diagram index name description page aa power distribution frc 3 ab power distribution frc 4 ac power supply circuit protection 34 ef 5 ad power supply circuit protection 44 ef 6 ae grounding 7 af starting and charging 8 ag vehicle ecu 14 ems power control 9 ah vehicle ecu 24 10.
2005 volvo s80 premier wiring diagram tp 3979202rar. 2004 volvo s40 04 v50 electrical wiring diagram tp 3974202rar. Cutting into wiring harnesses is not recommended as it may affect can bus. 12v schematic volvo product schematics 21849527 09 1 2 1 110 wiring diagram index name description page aa power supply circuit protection 14 3 ab power supply circuit protection 24 4 ac power supply circuit protection 34 ef 5 ad power supply circuit protection 44 ef 6 ae grounding 7 af starting and charging 8 ag vechile ecu 14 ems power control 9. 2006 volvo v70 v70r.
















