Mercedes w204 low beam headlight bulb replacement c250 c300 c350 c200 c220 c280 duration. Advance auto parts has 7 different low beam headlight bulb for your vehicle ready for shipping or in store pick up.
Mercedes Benz C Class W205 Oem Full Led Headlight Problems
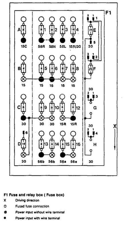
Mercedes c300 low beam fuse. I restarted the engine and now get three failure messages. 2008 mercedes c300 check right and left low beam lights message came on at the same time. Mercedes benz c class 250350 2007 2014 duration. High beam xenon light bulbs for mercedes benz c300 ballast included high beam performancecustom xenon light bulbs for mercedes benz e350 h7 6000k car and truck led bulbs high beam ballast included xenon light bulbs for mercedes benz c230 front led light bulbs 6000k color temperature for mercedes benz e320 front led light bulbs 6000k color. Shopdealer price 17873 23852. Location of fuses relays in the s cl class these fuses are located in the following places.
2009 mercedes benz c300 v6 30l. Low beam headlamps both. It still did not work. Left bulb was replaced a year ago. I found the fuse block diagram and methodically pulled and tested each fuse located in the underhood fuse block. All fuses were okay.
The best part is our mercedes benz c300 low beam headlight. Check right low beam headlight. Diy hid xenon install. Where will i find the fog light fuse for 2010 mercedes c300 read more. Your mercedes benz c300 will be happy to know that the search for the right low beam headlight bulb products youve been looking for is over. If you find a blown fuse replace it with the same color.
First i received a check right low beam headlight message and saw that it was not operating. The s and cl class use the fuse types shown hereif you need the right fuses type for your mercedes you can order a box of 120 fuses for less than 10 on amazon see link here. Can i disconnect the headlight wipers in my 1987 420 sel. Service type headlight bulb passenger side low beam replacement. Lights flasher units fuses headlight bulbs assemblies low beam headlight bulb. 2016 mercedes benz c300 l4 20l turbo.
2016 mercedes benz c300 l4 20l turbo. Mercedes benz c300 low beam headlight bulb mercedes benz c300 low beam headlight bulb. Can i disconnect the headlight wipers in my 1987 420 sel. Shopdealer price 17365 22963. Cigar lighter power outlet fuses in the mercedes benz c class are the fuse 9 glove compartment power outlet in the engine compartment fuse box and fuses 71 front cigarette lighter front interior power outlet 72 cargo area connector box 115 v power outlet 76 interior power outlet in the luggage compartment fuse box. Service type headlight bulb driver side low beam replacement.

















