Andy mechanic 305853 views. Is there a way to make the new switch work other than using multiple relays to make a latching system.
New Motorcycle 3 Wires Built In Lock Motorcycle Switch Hazard Light Switch Button Double Flash Warning Emergency Lamp Flasher
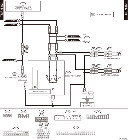
How to wire hazard lights. How to install hazard lights on motorcycle duration. I am using a new switch that is a momentary switch and the old one is a push button switch. Wiring in hazard lights i am currently trying to wire in my hazard lights. This wire can be found on the 9 terminal flasher 54 or on the hazard switch on later busses which dont have the 9 terminal flasher. How to wire up a flasher relay 1927 duration. 6p south east.
Also i am having trouble fin. The wiring looks like this. Wiring diagram for hazards and indicators. Hi i am after a simple if there is one wiring diagram of how to wire up indicators and hazard light on a classic that only has trafficatorsflags that flip upi have googled but no luckthanks all. Peacemax signature height 80px. The new wire can then be spliced to the blkred wire or connected right at the brake switch terminal.
The blkred wire from the master cylinder brake switches must first be disconnected. Jeep doctor ph 447078 views.

















