This applies to all c class models years 2001 2007. Fuel pump control unit valid for engine 156 up to 31808.
Mercedes Benz E Class W212 2009 2016 Fuse Box Diagram
Fuse box diagram for mercedes c220 cdi. Fuses 43 63 are located under. Mercedes benz c class w204 third generation 2008 2014 fuse box diagram. 2008 2009 2010 2011 2012 2013 2014. Left front door control unit. 2007 2014 mercedes benz w204 c class fuse diagram. In this article we consider the second.
2000 2007 fuses and relays. If you replace any fuses make sure to replace it with the same color fuse. Right rear door control unit. Fuses 1 through 20 are located in the trunk. Fuses for 2013 present mercedes benz cla all models. For the mercedes w202 c180 c200 c220 c230 c280 1994 1995 1996 1997 1998 1999 2000 model year.
Make sure the new fuse you are installing has the same color and ampere rating as. On the driver side. Fuse box diagram type 1 pre. Home page mercedes benz mercedes benz c class w203. Locate fuse and relay. Electronic stability program control unit.
Cla fuses box location map diagram designation mercedes benz c117. Here is the list of fuse designation for mercedes benz c class. Fuse box diagram location and assignment of electrical fuses and relays for mercedes benz c class c160 c180 c200 c220 c230 c240 c270 c280 c320 c350 c30 c32 c50 w203. 2008 2009 2010. Mercedes c class w203 second generation 2000 2007 fuse box description fuse number abs 56596062 airbag warning lamps 41424549 airbagside airbag control unit 4549 air conditioner se 4151 anti thef alarm se 8941 automatic heater system 41 auxiliary heater se 35 blower motor heaterac 3041 breake lights 62 central locking 2122323357 central locking. Home technical fuses relays c class w204 2008 2014 fuse list chart box location layout diagram.
Scroll to the bottom of the list if you are wondering where the fuses are located on the c class. C class w204 2008 2014 fuse list chart box location layout diagram. Valid up to 31310. If there is an underlying problem you could overload the wires or even cause more serious problems to that circuit if you use a higher. Right front door control unit valid as of 1410 with model 204029. Fuses 21 42 are located at the side of the dash.
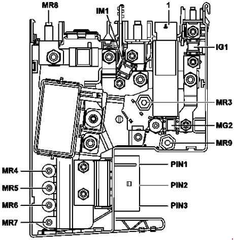
All automotive fuse box diagrams in one place. Left fuel pump control unit right. C180 c200 c250. Fuse box diagram location and assignment of electrical fuses and relays for mercedes benz c class c180 c200 c220 c250 c300 c350 c63 w204. Fuse box in the engine compartment. It is combined list of all the fuses including pre facelift all the way up to 2007.
Location of fuses for mercedes benz c class w204 years 2008 to 2015 models c180 c200 c250 c300 c350 c63 amg. 2001 2007 c class fuse list location diagram w203. Identifying and legend fuse box mercedes w203 2000 2008. If you replace any fuses make sure to replace it with the same color fuse. 2000 2007 fuses and relays. Fuse box location and fuse designation chart.
Fuse box in engine compartment. If there is a underlaying problem you could overload the wires or even cause more serious problems to that circuit if you use a higher ampere fuse.















