Strictly speaking the motors can actually create a force in either direction. 3 new refurbished from 1595.
Gama Electronics 30 Amp Toggle Switch 3 Position Reverse Polarity Dc Motor Control Maintained
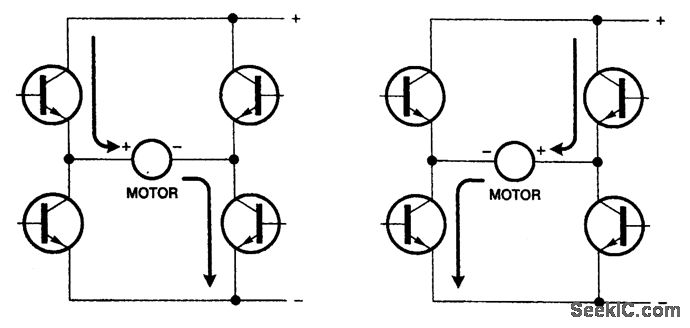
Dc motor reverse polarity. However if you are using our non radio dc shade motors for rv blind motor replacement or windowskylight openers the switches described here can be used to reverse polarity and activate the motor in either direction providing full reversing capability. When the armature current is reversed the current through the interpole is also reversed. Reversing dc motors requires a specific type of switch namely a dpdt double pole double throw switch center off wired in what is known as an h bridge configuration pictured at right so called because the current flow looks. Get it as soon as wed jul 8. Industec 20 amp motor polarity reversing maintained rocker switch control 12v. Industec wired 20 amp 12v dc motor polarity reversing rocker maintained latch switch.
31 product ratings 31 product ratings 30 amp toggle switch polarity reverse dc motor control momentary. Industec 30 amp rocker switch polarity reverse dc motor control momentary automatic reseting 12v 3 position double pole double throw. Reverse polarity switching dpdt switch wiring by vog vegoilguy duration. Therefore the interpole still has the proper polarity to provide automatic commutation. Simply put dc motors can turn in either direction clockwise or counter clockwise and can be easily controlled by inverting the polarity of the applied voltage. The dc motor is reversed by reversing the direction of the current in the armature.
43 out of 5 stars 7.
















